当前位置:网站首页 > 列管式冷却器(换热器) |
|
LQG船用冷却器 |

LQG船用冷却器
LQG船用冷却器概述
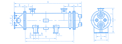
LQG船用冷却器滑油、淡水冷却主要用于船用柴油机油滑或船用循环淡水的冷却,结构为壳体膨胀卧式,管板采用不着HSN62-1或复合板,换热管采用HAL77-2或B10等耐海水腐蚀材料。
LQG系列船用冷却器型号说明
LQG(表示船用) X(冷却面积) — X(公称直径) X(流程数)
LQG系列船用冷却器外形尺寸表(二次流)
型号
|
冷却面积
|
接管通径
|
A
|
B
|
C
|
D
|
E
|
F
|
G
|
H
|
I
|
J
|
K
|
L
|
M
|
N
|
O
|
P
|
管侧
|
壳侧
|
LQG1-200/2
|
1
|
40
|
32
|
1106
|
110
|
100
|
160
|
121
|
80
|
150
|
500
|
850
|
150
|
150
|
100
|
150
|
60
|
30
|
4-M16
|
LQG2-200/2
|
2
|
50
|
40
|
1106
|
110
|
100
|
160
|
121
|
75
|
150
|
500
|
850
|
150
|
150
|
100
|
150
|
60
|
30
|
4-M16
|
LQG3-200/2
|
3
|
50
|
40
|
1406
|
110
|
100
|
160
|
121
|
75
|
150
|
800
|
1150
|
150
|
150
|
100
|
150
|
60
|
30
|
4-M16
|
LQG5-350/2
|
5
|
65
|
50
|
1521
|
120
|
110
|
170
|
131
|
92.5
|
150
|
850
|
1245
|
175
|
180
|
150
|
200
|
60
|
30
|
4-M16
|
LQG8-350/2
|
8
|
65
|
50
|
1187
|
140
|
130
|
200
|
136
|
142.5
|
150
|
500
|
875
|
250
|
260
|
230
|
280
|
60
|
30
|
4-M16
|
LQG10-350/2
|
10
|
80
|
65
|
1406
|
140
|
130
|
200
|
136
|
135
|
150
|
650
|
1094
|
250
|
260
|
230
|
300
|
60
|
30
|
4-M16
|
LQG15-400/2
|
15
|
100
|
80
|
1553
|
210
|
140
|
220
|
167
|
150
|
200
|
750
|
1140
|
250
|
290
|
250
|
300
|
60
|
30
|
4-M20
|
LQG20-400/2
|
20
|
125
|
100
|
1933
|
210
|
140
|
220
|
167
|
137.5
|
200
|
1000
|
1520
|
280
|
290
|
250
|
300
|
60
|
30
|
4-M20
|
LQG25-400/2
|
25
|
125
|
100
|
2333
|
210
|
140
|
220
|
167
|
137.5
|
200
|
1200
|
1900
|
280
|
290
|
250
|
300
|
60
|
30
|
4-M20
|
LQG30-400/2
|
30
|
125
|
100
|
2693
|
210
|
140
|
220
|
167
|
137.5
|
200
|
1600
|
2280
|
280
|
290
|
250
|
300
|
60
|
30
|
4-M20
|
LQG35-450/2
|
35
|
125
|
100
|
2539
|
250
|
140
|
240
|
192
|
137.5
|
200
|
1400
|
2061
|
280
|
290
|
250
|
300
|
60
|
30
|
4-M20
|
LQG40-550/2
|
40
|
125
|
100
|
2124
|
280
|
185
|
270
|
227
|
212.5
|
200
|
1050
|
1579
|
410
|
420
|
380
|
480
|
60
|
40
|
4-M20
|
LQG45-500/2
|
45
|
125
|
100
|
2605
|
260
|
170
|
250
|
197
|
187.5
|
250
|
1150
|
2112
|
340
|
350
|
320
|
420
|
75
|
45
|
4-M22
|
LQG50-650/2
|
50
|
150
|
150
|
1945
|
300
|
235
|
360
|
249
|
250
|
250
|
800
|
1352
|
470
|
480
|
420
|
560
|
75
|
45
|
4-M22
|
LQG60-650/2
|
60
|
150
|
150
|
2215
|
300
|
235
|
360
|
249
|
250
|
250
|
1100
|
1622
|
470
|
480
|
420
|
560
|
75
|
45
|
4-M24
|
LQG70-700/2
|
70
|
200
|
200
|
2280
|
300
|
235
|
360
|
280
|
250
|
250
|
950
|
1620
|
500
|
510
|
480
|
600
|
75
|
45
|
4-M24
|
LQG80-600/2
|
80
|
150
|
125
|
3160
|
300
|
210
|
335
|
242
|
225
|
300
|
1800
|
2576
|
440
|
400
|
400
|
520
|
60
|
40
|
4-M22
|
LQG90-700/2
|
90
|
200
|
200
|
2743
|
300
|
235
|
360
|
280
|
250
|
250
|
1400
|
2083
|
500
|
510
|
480
|
600
|
75
|
45
|
4-M24
|
LQG100-700/2
|
100
|
200
|
200
|
2975
|
300
|
235
|
360
|
280
|
250
|
200
|
1600
|
2315
|
500
|
510
|
480
|
600
|
75
|
45
|
4-M24
|
LQG110-700/2
|
110
|
200
|
200
|
3205
|
300
|
235
|
385
|
280
|
200
|
300
|
1650
|
2545
|
500
|
510
|
480
|
600
|
75
|
45
|
4-M24
|
LQG120-700/2
|
120
|
200
|
200
|
3123
|
360
|
240
|
360
|
300
|
300
|
300
|
1600
|
2413
|
440
|
540
|
520
|
640
|
75
|
45
|
4-M24
|
LQG130-700/2
|
130
|
200
|
200
|
3670
|
300
|
235
|
360
|
280
|
300
|
400
|
2100
|
3010
|
500
|
510
|
480
|
600
|
75
|
45
|
4-M24
|
LQG140-700/2
|
140
|
200
|
200
|
3900
|
300
|
235
|
360
|
280
|
250
|
400
|
2250
|
3240
|
500
|
510
|
480
|
600
|
75
|
45
|
4-M24
|
LQG150-700/2
|
150
|
200
|
250
|
4130
|
300
|
235
|
360
|
280
|
225
|
400
|
2500
|
3470
|
500
|
510
|
480
|
600
|
75
|
45
|
4-M24
|
LQG160-750/2
|
160
|
200
|
200
|
3930
|
330
|
240
|
385
|
300
|
275
|
400
|
2300
|
3220
|
530
|
540
|
520
|
640
|
75
|
45
|
4-M24
|
LQG180-750/2
|
180
|
250
|
200
|
4330
|
330
|
240
|
385
|
300
|
250
|
400
|
2600
|
3620
|
530
|
540
|
520
|
640
|
75
|
45
|
4-M24
|
LQG200-750/2
|
200
|
250
|
250
|
4730
|
330
|
240
|
385
|
300
|
250
|
400
|
3000
|
4020
|
530
|
540
|
520
|
640
|
75
|
45
|
4-M24
|
LQG220-800/2
|
220
|
250
|
250
|
4569
|
360
|
265
|
410
|
300
|
275
|
500
|
2600
|
3855
|
560
|
570
|
580
|
700
|
85
|
55
|
4-M24
|
LQG240-800/2
|
240
|
300
|
300
|
4919
|
360
|
265
|
410
|
300
|
250
|
500
|
2950
|
4205
|
560
|
570
|
580
|
700
|
85
|
55
|
4-M24
|
LQG系列船用冷却器外形尺寸表(四次流)
号
|
冷却面积
|
接管通径
|
A
|
B
|
C
|
D
|
E
|
F
|
G
|
H
|
I
|
J
|
K
|
L
|
M
|
N
|
O
|
P
|
管侧
|
壳侧
|
LQG1-200/4
|
1
|
40
|
32
|
1106
|
110
|
100
|
160
|
121
|
80
|
150
|
500
|
850
|
150
|
150
|
100
|
150
|
60
|
30
|
4-M16
|
LQG2-200/4
|
2
|
50
|
40
|
1106
|
110
|
100
|
160
|
121
|
75
|
150
|
500
|
850
|
150
|
150
|
100
|
150
|
60
|
30
|
4-M16
|
LQG3-200/4
|
3
|
50
|
40
|
1406
|
110
|
100
|
160
|
121
|
75
|
150
|
800
|
1150
|
150
|
150
|
100
|
150
|
60
|
30
|
4-M16
|
LQG5-350/4
|
5
|
65
|
50
|
1521
|
120
|
110
|
170
|
131
|
92.5
|
150
|
850
|
1245
|
175
|
180
|
150
|
200
|
60
|
30
|
4-M16
|
LQG8-350/4
|
8
|
65
|
50
|
1187
|
140
|
130
|
200
|
136
|
142.5
|
150
|
500
|
875
|
250
|
260
|
230
|
280
|
60
|
30
|
4-M16
|
LQG10-350/4
|
10
|
80
|
65
|
1406
|
140
|
130
|
200
|
136
|
135
|
150
|
650
|
1094
|
250
|
260
|
230
|
300
|
60
|
30
|
4-M16
|
LQG15-400/4
|
15
|
100
|
80
|
1553
|
210
|
140
|
220
|
167
|
150
|
200
|
750
|
1140
|
250
|
290
|
250
|
300
|
60
|
30
|
4-M20
|
LQG20-400/4
|
20
|
125
|
100
|
1933
|
210
|
140
|
220
|
167
|
137.5
|
200
|
1000
|
1520
|
280
|
290
|
250
|
300
|
60
|
30
|
4-M20
|
LQG25-400/4
|
25
|
125
|
100
|
2333
|
210
|
140
|
220
|
167
|
137.5
|
200
|
1200
|
1900
|
280
|
290
|
250
|
300
|
60
|
30
|
4-M20
|
LQG30-400/4
|
30
|
125
|
100
|
2693
|
210
|
140
|
220
|
167
|
137.5
|
200
|
1600
|
2280
|
280
|
290
|
250
|
300
|
60
|
30
|
4-M20
|
LQG35-450/4
|
35
|
125
|
100
|
2539
|
250
|
140
|
240
|
192
|
137.5
|
200
|
1400
|
2061
|
280
|
290
|
250
|
300
|
60
|
30
|
4-M20
|
LQG40-550/4
|
40
|
125
|
100
|
2124
|
280
|
185
|
270
|
227
|
212.5
|
200
|
1050
|
1579
|
410
|
420
|
380
|
480
|
60
|
40
|
4-M20
|
LQG45-500/4
|
45
|
125
|
100
|
2605
|
260
|
170
|
250
|
197
|
187.5
|
250
|
1150
|
2112
|
340
|
350
|
320
|
420
|
75
|
45
|
4-M22
|
LQG50-650/4
|
50
|
150
|
150
|
1945
|
300
|
235
|
360
|
249
|
250
|
250
|
800
|
1352
|
470
|
480
|
420
|
560
|
75
|
45
|
4-M22
|
LQG60-650/4
|
60
|
150
|
150
|
2215
|
300
|
235
|
360
|
249
|
250
|
250
|
1100
|
1622
|
470
|
480
|
420
|
560
|
75
|
45
|
4-M24
|
LQG70-700/4
|
70
|
200
|
200
|
2280
|
300
|
235
|
360
|
280
|
250
|
250
|
950
|
1620
|
500
|
510
|
480
|
600
|
75
|
45
|
4-M24
|
LQG80-800/4
|
80
|
150
|
125
|
3160
|
300
|
210
|
335
|
242
|
225
|
300
|
1800
|
2576
|
440
|
400
|
400
|
520
|
60
|
40
|
4-M22
|
|
【返回】 |
|