当前位置:网站首页 > 列管式冷却器(换热器) |
|
GLZ海水冷却器 |

GLZ海水冷却器
GLZ海水冷却器概述
GLZ海水冷却器,柳州第二空气压缩机有限责任公司设备生产的GLZ冷却器减少了清洗污垢的麻烦;杜绝了海水的积盐现象,保证良好的传热效。
GLZ海水冷却器特点
海水有腐蚀性,易结垢,含杂质,容易阻塞管路。当制冰系统在海上工作,需要以水作为冷却介质时,往往不是用海水直接冷却,而是采用闭式冷却系统,即淡水在冷凝器及管路中形成封闭循环。淡水吸热温度升高后,再靠另一套海水循环系统对淡水进行冷却。这样,管路比较复杂。部件较多,维修也麻烦。在此机型中,海水只是通过淡水冷却器,不进入冷却管路系统,减少了清洗污垢的麻烦;杜绝了海水的积盐现象,保证良好的传热效果。
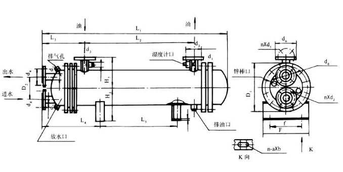
GLZ海水冷却器外形尺寸表
型号
|
L1
|
L2
|
L3
|
L4
|
L5
|
D1
|
D2
|
d1
|
d2
|
d3
|
d4
|
d5
|
d6
|
H1
|
H2
|
n-a*b
|
F
|
f
|
n-d1
|
n-d2
|
t
|
重量kg
|
GLZ-3
|
1229
|
635
|
354
|
395
|
550
|
440
|
180
|
40
|
40
|
110
|
110
|
145
|
145
|
280
|
260
|
4-20*28
|
400
|
340
|
4-φ18
|
4-φ18
|
6
|
270
|
GLZ-6
|
1604
|
900
|
408
|
460
|
800
|
500
|
200
|
40
|
40
|
110
|
110
|
145
|
145
|
310
|
300
|
4-20*28
|
450
|
390
|
4-φ18
|
4-φ18
|
6
|
390
|
GLZ-12
|
2180
|
1450
|
418
|
495
|
1300
|
560
|
220
|
80
|
80
|
160
|
160
|
195
|
195
|
345
|
340
|
4-20*28
|
500
|
440
|
4-φ18
|
4-φ18
|
6
|
580
|
GLZ-25
|
2440
|
1640
|
465
|
560
|
1450
|
670
|
250
|
100
|
100
|
180
|
180
|
215
|
215
|
400
|
400
|
4-20*28
|
610
|
540
|
8-φ18
|
8-φ18
|
8
|
920
|
GLZ-50
|
2020
|
2900
|
690
|
840
|
2600
|
780
|
300
|
125
|
125
|
210
|
210
|
245
|
245
|
450
|
450
|
4-20*30
|
710
|
650
|
8-φ18
|
8-φ18
|
8
|
1950
|
GLZ-100
|
4530
|
3150
|
810
|
1035
|
2700
|
1010
|
400
|
200
|
200
|
295
|
295
|
335
|
335
|
600
|
600
|
4-20*32
|
910
|
840
|
8-φ18
|
8-φ18
|
9
|
3450
|
|
【返回】 |
|