当前位置:网站首页 > 列管式冷却器(换热器) |
|
SGLL卧式双联油冷却器 |

SGLL卧式双联油冷却器
SGLL卧式双联油冷却器
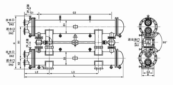
SGLL卧式双联油冷却器冷却面积12-150m2,主要型号有SGLL4-12/1.0、SGLL4-16/1.0、SGLL4-20/1.0、SGLL4-24/1.0、SGLL4-28/1.0、SGLL4-35/1.0、SGLL5-40/1.0、SGLL5-45/1.0、SGLL5-50/1.0、SGLL5-60/1.0、SGLL6-80/1.0、SGLL6-100/1.0、SGLL6-120/1.0、SGLL6-120/1.0SGLL卧式双联油冷却器
SGLL卧式双联油冷却器参数表
型号
|
冷却面积m2
|
DN1
|
DN2
|
D1
|
L
|
L3
|
C
|
H2
|
e
|
L2
|
C1
|
C2
|
B
|
H
|
H1
|
SGLL4-12/1.0
|
12
|
65
|
65
|
325
|
1555
|
660
|
860
|
262
|
870
|
497
|
345
|
300
|
370
|
984
|
460
|
SGLL4-16/1.0
|
16
|
65
|
65
|
325
|
1960
|
1065
|
1365
|
262
|
870
|
497
|
345
|
300
|
370
|
98
|
460
|
SGLL4-20/1.0
|
20
|
80
|
65
|
325
|
2370
|
1475
|
1775
|
262
|
870
|
497
|
345
|
300
|
370
|
1004
|
480
|
SGLL4-24/1.0
|
24
|
80
|
65
|
325
|
2780
|
1885
|
2175
|
262
|
870
|
497
|
350
|
300
|
370
|
1004
|
480
|
SGLL4-28/1.0
|
28
|
80
|
65
|
325
|
3190
|
2295
|
2585
|
262
|
870
|
497
|
350
|
300
|
370
|
1004
|
480
|
SGLL4-35/1.0
|
35
|
100
|
100
|
426
|
2480
|
1232
|
1692
|
313
|
890
|
730
|
500
|
300
|
730
|
1181
|
555
|
SGLL5-40/1.0
|
40
|
100
|
100
|
426
|
2750
|
1502
|
1962
|
313
|
890
|
730
|
500
|
300
|
730
|
1181
|
555
|
SGLL5-45/1.0
|
45
|
125
|
100
|
426
|
3020
|
1772
|
2202
|
313
|
890
|
725
|
515
|
300
|
725
|
1181
|
585
|
SGLL5-50/1.0
|
50
|
125
|
100
|
426
|
3290
|
2042
|
2472
|
313
|
976
|
725
|
515
|
300
|
725
|
1181
|
585
|
SGLL5-60/1.0
|
60
|
125
|
100
|
426
|
3830
|
2582
|
3012
|
313
|
976
|
725
|
515
|
300
|
725
|
1181
|
585
|
SGLL6-80/1.0
|
80
|
200
|
200
|
616
|
3160
|
1555
|
2015
|
434
|
1100
|
935
|
700
|
750
|
935
|
1688
|
820
|
SGLL6-100/1.0
|
100
|
200
|
200
|
616
|
3760
|
2155
|
2615
|
434
|
1240
|
935
|
700
|
750
|
935
|
1688
|
820
|
SGLL6-120/1.0
|
120
|
200
|
200
|
616
|
4360
|
2755
|
3215
|
434
|
1240
|
935
|
700
|
750
|
935
|
1688
|
820
|
SGLL双联油冷却器简述
SGLL双联油冷却器采用双联结构,由两只相同面积的冷却器和三通阀装置构成,一只工作,一只备用,每个冷却器能承担整个系统的冷却负荷,管板一头固定,一头浮动、可拆卸的管束和水室箱盖,便于运行过程中清洗、检查和维修。冷却器的材质,根据使用场所、水系统条件可有多种选择。
SGLL双联油冷却器使用条件
双联油冷却器按GB151 标准和参照西德AD 及美国TEMA标准设计和制造,采用全钢和部分黄铜结构,油侧工作压力1.6MPa,工作温度150℃,水侧工作压力1.0MPa,工作温度100℃。产品具有节能、高效、安全可靠等优点;适用于汽轮发电机组、压缩机组、风机、泵组及石油化工行业上的油冷却系统,也可用于其它油冷却系统。故又称发电机组冷却器、压缩机组冷却器、风机冷油器、泵组冷油器。
SGLL双联油冷却器特点
1、表列数据为二流程列管式双联油冷却器,若需要可选用四流程、六流程、裸管或翅片冷却管的冷却器。
2、冷却器安装通常为卧式,如用户需要时可采用二种立式布置,一种进水室在下、另一种进水室在上,便于管束拆卸。
3、油水接口法兰标准按JB/T81-94,根据用户要求配非标法兰时应满足配管要求。
4、根据AP Ⅰ 614 标准,冷却器采用双联结构,冷却器由二只相同面积的冷却器和三通阀装置构成,一只工作,一只备用,每个冷却器能承受整个系统的冷却负荷,管板一头固定,一头浮动,可拆卸的管束和水室箱盖,便于运行过程中清洗、检查和维修。冷却器的材质,根据使用场所、水系统条件可有多种选择,水室、壳体、三通阀可选碳钢或全不锈钢,管板可用碳钢、不锈钢或黄铜板;管子材料可选普通黄铜管H68、砷黄铜管HSn70-1A,铝黄铜管HA177-2A,不锈钢管1Cr18Ni9Ti、B10、B30 等。
5、冷却器三通阀采用钢制焊接结构连续流转换阀。这种阀门在内部结构发生故障或阀门转换期间不会造成油路的中断。
|
【返回】 |
|